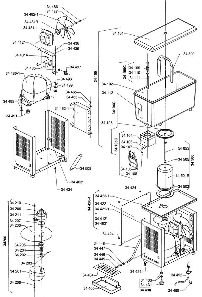
Ersatzteil Wahl:

Zoomen:
Thermostat K50
12l Saftbehälter komplett
Deckel Saftbehälter
Abflussdüse einzeln
Abflussdüse komplett
Rührer komplett
Verdunstungsrohr
Dichtungsring
Verdampferdichtung
Düsenhalterung
Verschlussfeder
Unterlegscheibe 4x10
Verschluss komplett
Düsenhalterung komplett
Aufkleber Füllstandsanzeige
Gummidichtung
Drosselungshalterung
Motor komplett 230 V
Drosselung alleine 230 V 50 Hz
Schalter ein/aus
4 Füße komplett
Netzkabel mit europäischen Stecker
#34 Dispenser
Wählen Sie die gewünschten Ersatzteile bitte durch einen Klick auf die Punkte in der Explosivzeichnung oder das oben angezeigte Menü aus.
Artikelname
Artikelnummer
Preis
Anzahl